Вопросы и ответы
Расходомер ЭМИС-ВИХРЬ 200 имеет физический интерфейс RS485, USB с программным протоколом Modbus RTU. Для подключения необходим адаптер RS485-USB, либо кабель miniUSB. Для связи с прибором необходимо использовать фирменное ПО «Эмис-Интегратор». ЭМИС-ВИХРЬ 200 возможно опросить любой Modbus программой для просмотра регистров. Карта регистров представлена в Руководстве по эксплуатации.
*Электронный блок специальной версии (V.8L) не имеет USB интерфейса и аналогового выхода.
Прибор имеет следующие выходные сигналы:
- частотно-импульсный или дискретный выходной сигнал;
- аналоговый (токовый) выходной сигнал (кроме специальной версии электронного преобразователя);
- цифровые сигналы: RS 485, USB (протокол Modbus RTU); токовая петля 4-20 мА (протокол HART).
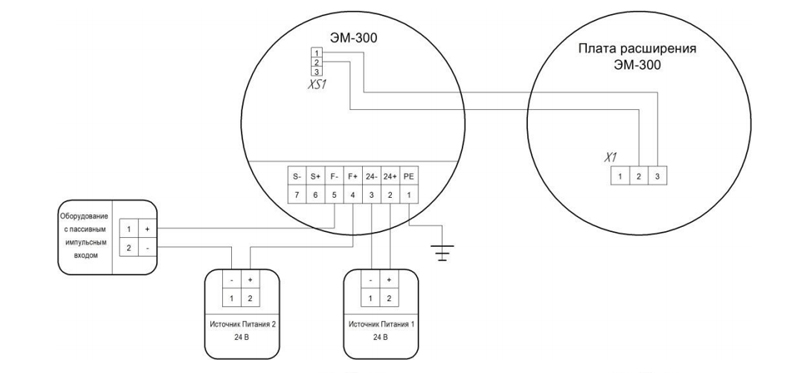
Расходомер ЭМИС-ВИХРЬ 200 оснащен пассивным выходным аналоговым (токовым) сигналом 4-20 мА.
Схема представлена на рисунке.
Схема представлена на рисунке.
При монтаже расходомера на трубопровод должны быть обеспечены требуемые длины входных и выходных прямолинейных участков. Минимально допустимое расстояние прямого участка трубопровода перед преобразователем не менее 10хДу, после расходомера не менее 5хДу. Допустимые расстояния прямолинейных участков трубопроводов, в зависимости от наличия сужений, расширений, изгибов труб, регулирующих механизмов или устройств, находящихся выше по потоку от места установки прибора, представлены в таблице 2.6 и таблице 2.7 Руководства по эксплуатации (стр. 35).
В качестве основного источника питания применяется встроенный электрохимический элемент типа LS26500 напряжением 3,6 В. При работе от него счетчик осуществляет подсчет объема и расхода, но не генерирует выходные сигналы (кроме визуальной индикации). При подключении/восстановлении внешнего питания работа счетчика восстанавливается в полном объеме. Необходимо проверить:
- напряжение встроенного электрохимического элемента питания (LS26500 напряжением 3,6В). Оно должно быть не менее 3,1 В.
- полярность подключения элемента питания (красный провод «+», черный провод «-»).
Вероятные причины и способы их устранения:
- Расход ниже минимального расхода для данного типоразмера счетчика. Открыть полностью запорно-регулирующую арматуру для установления расхода, лежащего в диапазоне измерений счетчика.
- Произошло заклинивание крыльчатки измерительного механизма в результате попадания в него крупных механических загрязнений. Демонтировать счетчик с трубопровода и прочистить измерительный механизм.
- Нет соединения сенсора и плат электронного блока, проверить соединение (разъемы) проводов сенсора в разъем на электронной плате.
Проверить параметры настройки электронного блока на соответствие Руководству по эксплуатации таб. 2.9 «Параметры настройки» и паспортным данным.
Коэффициенты с 01 по 11 устанавливаются на заводе изготовителе при первичной поверке прибора и могут изменяться только, при проведении периодических поверок (смотрите паспорт прибора).
| Вероятная причина | Способ устранения |
| Неправильное подключение проводов питания к расходомеру. | Произвести проверку подключения кабеля или проводов питания согласно схеме подключения. |
| Обрыв проводов подключения питания. | Проверить провода питания, в случае обрыва заменить их. |
| Напряжение питания не соответствует требованиям руководства по эксплуатации. | Проверить источник питания и установить напряжение питания в соответствии с требованиями руководства по эксплуатации. |
Вероятная причина неисправности: неправильное подключение проводов к расходомеру или вторичным приборам.
Способ устранения: проверить правильность подключения выходных сигналов расходомера согласно схемам подключения, представленным ниже на рисунках.
Более подробная информация о подключении выходных сигналов представлена в Руководстве по эксплуатации, приложение В.
Вероятная причина: неправильное подключение.
Способ устранения: убедиться в правильности выбора схемы подключения прибора с активным и пассивным выходными сигналами. Аналоговый токовый выход может быть активным или пассивным в зависимости от выбранной модификации расходомера.
1. Неправильно задан вес импульса - необходимо установить вес импульса во вторичном оборудовании в соответствии с настройками прибора. Стандартная цена импульсов ЭМИС-МАСС 260:
| ДУ, мм | 10 | 15 | 25 | 40 | 50 | 80 | 100 | 150 | 200 |
| Цена импульса, г/имп | 0,1 | 0,1 | 0,4 | 2 | 4 | 8 | 10 | 20 | 40 |
2. Неправильное подключение - убедиться в правильности выбора схемы подключения прибора с активным и пассивным выходными сигналами. Импульсный выход может быть активным или пассивным в зависимости от выбранной модификации расходомера.
Вероятная причина - неправильно выбраны параметры передачи данных.
Необходимо:
1. Проверить правильность выбора порта компьютера, используемого для подключения расходомера по цифровому сигналу, установить в программе «ЭМИС-Интегратор» верный порт.
2. Проверить настройки вторичного оборудования и настроить их в соответствии с настройками прибора:
- Физический уровень - RS-485
- Скорость обмена данными, бит/сек - 9600
- Формат данных - 8 бит, 1 стартовый бит, без контроля на четность, 2 стоповых бита (по умолчанию).
Либо настроить прибор под свои параметры обмена при помощи дисплейного меню прибора «Параметр Настройка->Параметр Выходные сигналы».
Вероятная причина: уход нуля расхода вследствие изменения температуры или давления среды относительно температуры и давления, при которых была проведена установка нуля, не соблюдается требование по полному заполнению рабочей полости расходомера измеряемой среды.
Способ устранения:
Провести установку нуля расходомера согласно п.2.5.4 руководства по эксплуатации:
Для этого необходимо выполнить следующие действия:
- подайте питание на расходомер и дайте ему прогреться не менее 30 минут;
- пропустите измеряемую среду через расходомер до тех пор, пока между ними не установится тепловое равновесие;
- закройте запорный клапан, расположенный ниже по направлению потока;
- убедитесь, что проточная часть расходомера полностью заполнена жидкостью;
- закройте запорный клапан, расположенный выше по направлению потока;
- убедитесь, что течение полностью отсутствует;
- находясь в корневом разделе меню (см. рисунок 2.14) на индикаторе нажимайте кнопку ↓ до появления надписи «НАСТРОЙКА». Нажмите кнопку E и введите пароль (начальный пароль - 000000). При вводе пароля увеличение значения подсвеченного разряда на единицу производится кнопкой ↓. Переход к следующему (младшему) разряду числа осуществляется кнопкой →. После ввода верного пароля появится надпись «УСТАН. НУЛЯ». Если после ввода верного пароля происходит переход к другому пункту меню, то нажмите кнопку ↓, появится надпись «НАСТРОЙКА ПОТОКА». Затем нажмите кнопку E, появится надпись «УСТАН. НУЛЯ». Для запуска процедуры калибровки нуля нажмите E. В ответ за запрос «ЗАПУСТИТЬ?» подтвердите запуск процедуры нажатием кнопки E. Процедура калибровки длится 30 секунд, оставшееся до ее окончания время отображается на индикаторе.
Установку нуля следует также выполнить если:
- расходомер показывает некоторое значение расхода при отсутствии расхода в действительности;
- изменились физические свойства измеряемой среды.
Схема представлена на рисунке.
Схема представлена на рисунке.
Вероятная причина: неправильное подключение.
Способ устранения: убедиться в правильности выбора схемы подключения прибора с активным и пассивным импульсным выходом.
Вероятные устранения и способы их устранения:
Неисправен электронный вычислитель. Обратиться в сервисную службу по электронной почте support@emis-kip.ru.
Не установлен нуль расходомера.
- Установить нуль расходомера согласно РЭ пункт 2.5.3.3.
